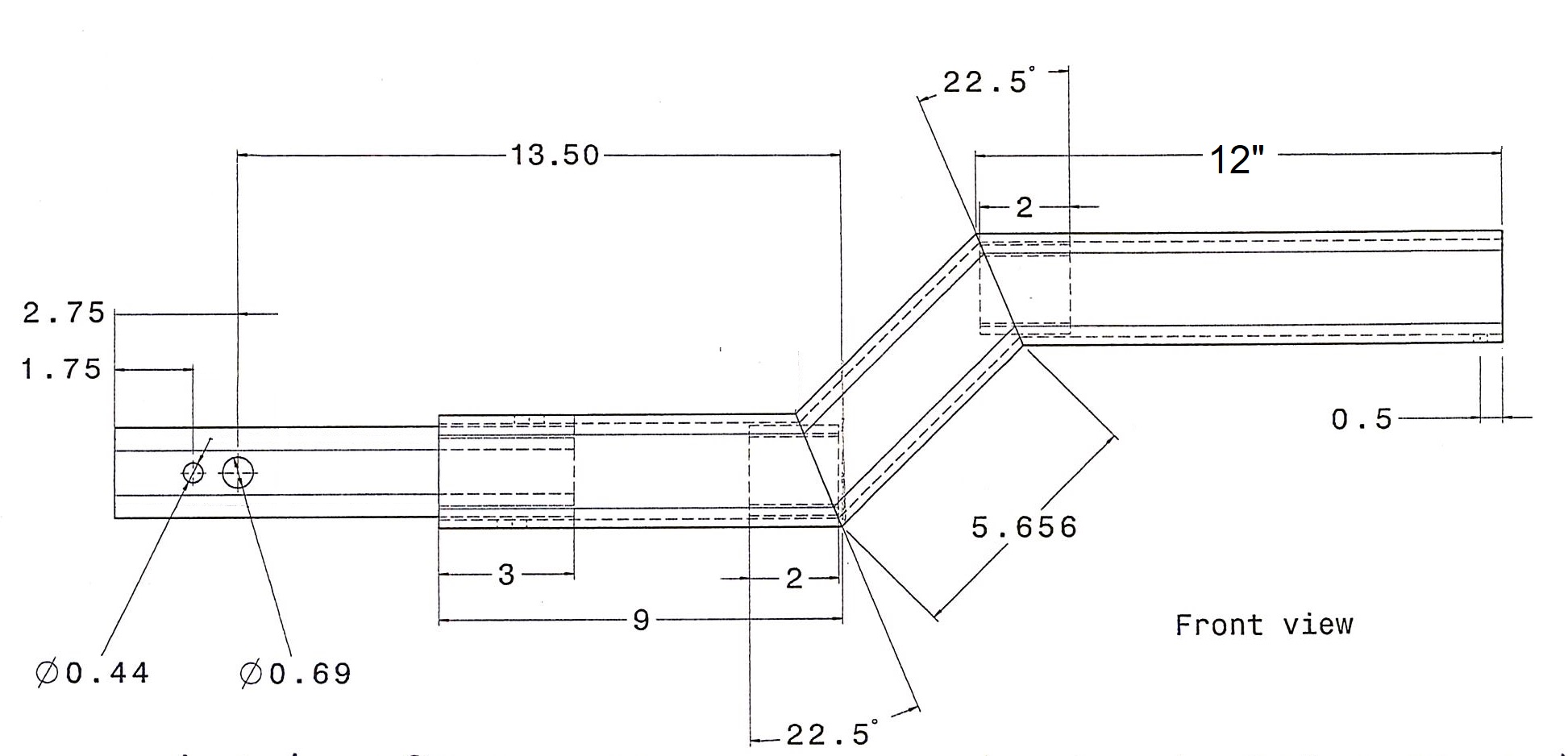
Raised Main Tube for Single Motorcycle Carriers
VH-020R

PRODUCT INFORMATION
              Features | 
            
              Specifications | 
            
              What's Included | 
          
              
  | 
            
              
  | 
            
			  
 MSRP: $212.99  | 
          
Versahaul is the manufacturer and only sells to dealers. Versahaul suggests retail pricing only. Please contact your nearest dealer for additional price information. Prices subject to change without notice.
LIMITATIONS
              Carrier | 
            
              Hitch | 
            
              Vehicle | 
            
              Towing | 
          
| This Tube is the proper length for the VH-55 and VH-SPORT carriers. | Most Class III hitches are rated for 500 lbs. tongue weight. The Main Tube is rated for 600 lbs.  | 
            Your hauling weight may be limited by your vehicle's capacity to carry a
            load. Click here to find the Carrying Capacity of your vehicle.  | 
            Raised Main Tube does not have a towing feature. | 
PICTURES
Click on the item to see a larger picture.
Protected by US Patents: US D554,041 S; 20070052206

